Nội dung bài viết
Giống như ampe kế hoặc ôm kế, vôn kế là một trong những dụng cụ điện rất quan trọng. Vậy sản phẩm này là gì? Cấu tạo của vôn kế là gì? Nó có ứng dụng gì và cách sử dụng nó như thế nào? Hãy cùng VietChem tìm hiểu rõ hơn trong bài viết dưới đây nhé.
Vôn kế là gì?
Nó là một dụng cụ điện tử được sử dụng để đo sự khác biệt tiềm năng hoặc điện áp giữa hai điểm trong mạch điện hoặc điện tử. Nói một cách đơn giản khác, vôn kế hay Vôn kế (Volt – tên viết tắt của Alessandro Volta, nhà vật lý người Ý) là một dụng cụ đo điện dùng để đo điện áp giữa hai đầu của một mạch điện (hoặc các mạch điện). dụng cụ điện khác).
Đơn vị đo là Volt, ký hiệu là V.

Vôn kế là gì?
Lịch sử ra đời của vôn kế
Nguyên lý cơ bản của Vôn kế được phát minh vào năm 1820 bởi Hans Christian Oersted (1777-1851), một nhà vật lý người Đan Mạch, khi ông phát hiện ra rằng dòng điện trong dây dẫn tạo ra một từ trường xung quanh nó. Ampe kế đầu tiên là một vôn kế nhạy dùng để đo dòng điện, được André Ampère, nhà vật lý người Pháp sử dụng vào năm 1820.
Tìm hiểu cấu tạo của vôn kế
Vôn kế analog cơ bản bao gồm một điện kế nhạy (dụng cụ dùng để đo dòng điện mắc nối tiếp với điện trở cao. Với điều kiện điện trở trong volt phải lớn. Mặt khác, cấu tạo của vôn kế thu hút dòng điện đáng kể và làm gián đoạn hoạt động của mạch khi thực hiện kiểm tra. Thiết bị này sử dụng chỉ báo điện tử trên phần quay số của thiết bị.
Trong phòng thí nghiệm thường có dải đo tối đa là 1000 – 3000 V. Trong hầu hết các thiết bị thương mại sẽ có các thang đo khác nhau như 0 -1 V, 0 – 10 V, 0 – 100 V, 0 – 1000V… Để sử dụng trong ngành điện toán, sản phẩm phù hợp làm phòng thí nghiệm tiêu chuẩn (vì điện áp được đo ở mức trung bình, thường nằm trong khoảng từ 1V đến 15V).
Thông thường, vôn kế tương tự được sử dụng để đo điện áp từ một phần Vôn đến vài nghìn Vôn. Ngược lại, Vôn kế kỹ thuật có độ chính xác cao hơn, thường dùng để đo những điện áp rất nhỏ trong phòng thí nghiệm bằng các thiết bị điện tử.

Vôn kế tương tự được sử dụng để đo điện áp từ một phần vôn đến vài nghìn vôn
>>>XEM THÊM:
Aflatoxin là gì? Tính chất đặc trưng và thông tin bạn cần biết
Nguyên lý hoạt động của vôn kế
Nguyên tắc chung: phải mắc song song với vật cần đo điện áp (vì vôn kế có điện áp cao nên điện áp sẽ gần như bằng 0 nếu mắc nối tiếp). Trong các mạch song song, điện áp ở mỗi điểm là như nhau. Vì vậy, nguồn và thiết bị sẽ luôn có điện áp bằng nhau.
Về lý thuyết: để có được một vôn kế lý tưởng, bạn cần lắp một nguồn điện trở vô hạn sao cho dòng điện thu hút gần như bằng không. Bởi vì, làm như vậy sẽ không bị thất thoát năng lượng trong thiết bị. Tuy nhiên, trên thực tế, điều đó là không khả thi vì không có vật liệu hay thiết bị nào có điện trở vô hạn.

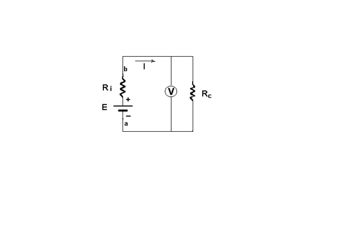
Cấu tạo của vôn kế là gì? Sơ đồ mạch điện vôn kế
Vôn kế dùng để làm gì?
Với thiết bị điện tử này, bạn có thể đo điện áp hoặc đo độ chênh lệch điện áp giữa hai điểm của mạch điện một cách an toàn và hiệu quả nhất. Đồng thời, điện áp mạch vẫn giữ nguyên như ban đầu.
Mặt khác, nó còn được sử dụng trong một số trường hợp như đo điện áp của phích cắm để xác định xem phích cắm có bị hỏng hay không.
Được sử dụng để xác định xem pin đã được sạc hay xả. Khi xe không nổ máy, bạn có thể dùng chúng để đo điện áp ắc quy xem có vấn đề gì không.
Cách sử dụng vôn kế đơn giản và chính xác
- Đầu tiên cần chọn thiết bị có giới hạn đo phù hợp với độ lớn chênh lệch điện áp
- Kiểm tra và điều chỉnh vị trí con trỏ trên mặt đồng hồ về đúng vạch số 0
- Nối chân dương của vôn kế với cực dương của nguồn điện và tương tự nối cực âm với chân âm của thiết bị.
- Đóng mạch xác định giá trị điện áp đo được từ mạch thông qua vị trí con trỏ
Các loại vôn kế phổ biến nhất hiện nay
- Có nhiều loại vôn kế khác nhau, nhưng một số loại phổ biến bao gồm: Vôn kế sắt, cảm ứng, tĩnh điện, nam châm vĩnh cửu, bộ chỉnh lưu và vôn kế kỹ thuật số.

Hình ảnh vôn kế kỹ thuật số
- Vôn kế dùng để đo điện áp cao và nguy hiểm thường được trang bị thêm lớp cách điện giữa các điểm kiểm tra và người sử dụng để giúp ngăn ngừa điện giật.
- Có những vôn kế được chế tạo để đo mức điện áp thấp trong các vật thể nhỏ như chip máy tính với độ chính xác cao. Chúng thường rất nhỏ và được thiết kế để loại bỏ hoặc giảm tiếng ồn do sự khác biệt tiềm ẩn tồn tại trong môi trường hoặc đến từ các thiết bị điện tử gần đó.
- Vôn kế phổ biến nhất là một thiết bị cầm tay có màn hình và hai dây cáp điện tử. Các cáp này kết nối với hai điểm trong mạch và mức điện áp được hiển thị trên màn hình.
Với những thông tin mà Công ty VietChem đã chia sẻ trên đây hy vọng sẽ mang đến cho bạn đọc những thông tin hữu ích về vôn kế là gì, cấu tạo và ứng dụng của nó. Hãy ghé thăm vietchem.com.vn thường xuyên để đọc được nhiều bài viết thú vị khác.

Nội dung được phát triển bởi đội ngũ truongchuvananhue.edu.vn với mục đích chia sẻ và tăng trải nghiệm khách hàng. Mọi ý kiến đóng góp xin vui lòng liên hệ tổng đài chăm sóc: 1900 0000 hoặc email: hotro@truongchuvananhue.edu.vn