Nội dung bài viết
Hiện nay, tụ điện hạ thế chiếm một vị trí quan trọng trong hệ thống điện và được sử dụng rộng rãi trong điện gia dụng và sản xuất điện vừa và nhỏ. Cùng KTH ELECTRIC tìm hiểu về tụ điện hạ thế, thông số kỹ thuật và chức năng của thiết bị này.
Tụ điện hạ thế là gì?
Tụ điện hạ thế là loại tụ điện có hệ số cosφ được nối vào hệ thống, thiết bị điện hạ áp. Mục đích là để nâng cao hiệu suất của các thiết bị điện và ngăn ngừa các khoản phạt theo quy định của ngành điện.

Tụ điện hạ thế là một trong những thành phần chính của tủ điện bù công suất phản kháng, giúp đảm bảo hệ thống hoạt động thông minh, an toàn và ổn định. Cấu tạo bên trong của tụ điện hạ thế gồm 2 cực làm bằng lá nhôm dài, cách điện bằng một lớp giấy. Các đầu của bo mạch nhô ra khỏi mặt của tụ điện và toàn bộ vật sẽ được giữ cố định trong một hộp kín khí bằng các chốt nhôm và nhựa.

Thông số kỹ thuật tụ điện hạ thế
Các chỉ số điện áp, tần số, công suất, dòng điện và điện dung là các thông số kỹ thuật quan trọng của tụ điện hạ thế.
Điện áp định mức: Điện áp định mức của tụ điện thường cao hơn hoặc bằng điện áp hệ thống.
- Tụ điện hạ thế một pha thường có loại điện áp 230V và 250V.
- Các loại điện áp phổ biến của tụ điện hạ thế ba pha là 230V, 380V, 400V, 415V, 440V, v.v.
Công suất định mức: Công suất phản kháng mà tụ có thể bù được như: 10kVAr, 15kVAr, 20kVAr, 25kVAr, 30kVAr,…
Đánh giá hiện tại: Dòng điện chạy qua tụ trong quá trình làm việc được xác định theo công suất và điện áp của tụ:

Ở đó:
- I: dòng điện định mức (A)
- Q: Công suất tụ điện (kVAr)
- U: điện áp định mức (V)
Tần số định mức: Tần số tiêu chuẩn là 50Hz, phù hợp với lưới điện quốc gia.
Chỉ số điện dung (microfarad): Khả năng tích trữ điện của tụ điện. Ví dụ: 3 x 300,9 F.
Các thông số khác:
- Tiêu chuẩn kỹ thuật: IEC 60831-1 và IEC 60831-2: tiêu chuẩn quốc tế và ISO 8525:2010: Tiêu chuẩn Việt Nam, phù hợp với tụ điện xoay chiều tần số nguồn.
- Chỉ số bảo vệ (IP): Tụ khô thường có IP20 đến IP30. Tụ điện đặt trong tủ ngoài trời có chỉ số IP43 hoặc cao hơn.
- Nhiệt độ môi trường hoạt động: Bộ tụ điện cần hoạt động trong khoảng từ –25°C đến +55°C.
- Tuổi thọ sử dụng: Trong điều kiện tiêu chuẩn, tuổi thọ sử dụng của dàn tụ điện là 100.000 đến 130.000 giờ.

5 vai trò chính của tụ điện hạ thế trong hệ thống điện
Bù công suất phản kháng
Trường hợp hệ số cosφ của hệ thống điện nhỏ hơn 0,85 mà dàn tụ điện không được lắp đặt hoặc dàn tụ điện đã lắp đặt vẫn không đáp ứng đủ nhu cầu thì sẽ xử phạt theo quy định của ngành điện. Việc lắp đặt hệ thống tụ điện hạ thế sẽ giúp giải quyết các vấn đề trên.
Tiết kiệm hóa đơn tiền điện
Các công tơ hiện tại do nhà máy lắp đặt hiển thị 3 loại công suất cơ bản: công suất tác dụng P (kW), công suất phản kháng Q (Kvar) và công suất biểu kiến S (Kva). Người tiêu dùng điện thường bị phạt số tiền họ phải trả khi mua công suất phản kháng. Trong khi các hộ gia đình được tính phí dựa trên công suất P (kWh) thì doanh nghiệp phải trả thêm công suất phản kháng (Kvar).

Theo quy định của ngành điện, khi hệ số cosφ của hệ thống điện của bạn nhỏ hơn 0,85 thì Q (công suất phản kháng) tiêu thụ sẽ bắt đầu bị tính phí. Để tránh bị phạt, lắp tụ điện là giải pháp tốt nhất. Có nhiều phương pháp để bù hệ số cosφ như bù cứng hoặc bù mềm, bù tự động hoặc bù thủ công, v.v. nhưng hiện nay các phương pháp được sử dụng phổ biến nhất là bù mềm và bù tự động.
Giảm tổn thất đường dây truyền tải
Tổn thất điện dung thường do hai thành phần gây ra:
- Bởi vì công suất hoạt động không thể giảm
- Có thể can thiệp do công suất phản kháng. Sử dụng tụ điện hạ áp để bù công suất phản kháng, làm cosφ gần bằng 0,95 và giảm tổn thất điện năng.
Giảm sụt áp
Công suất phản kháng là nguyên nhân chính gây sụt áp trên đường dây. Việc lắp đặt tụ điện sẽ giúp bù đắp những khoảng trống, đồng thời giúp thiết bị, động cơ khởi động mà không bị quá nhiệt hoặc cháy nổ.
Tăng khả năng truyền tải của dây
Dòng điện chạy trên đường dây gồm hai phần: dòng điện tác dụng và dòng điện phản kháng. Việc lắp đặt các dàn tụ điện ở cuối đường dây sẽ làm giảm dòng điện phản kháng, giúp đường dây có khả năng chịu tải lớn hơn.
Xem thêm: Tụ điện trung thế: Cấu tạo, công dụng và lưu ý khi đấu điện
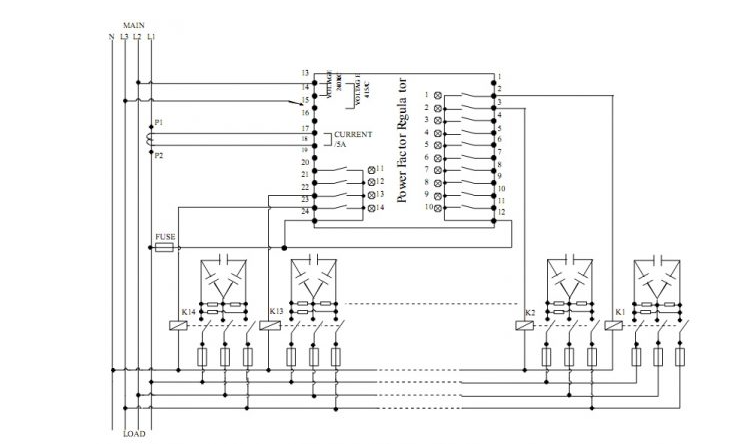
Sơ đồ nối dây tụ điện hạ áp
- Trường hợp 1: Tín hiệu dòng điện và điện áp pha cung cấp cho rơle phải cùng pha. (Áp dụng cho rơle SK, Mikro)

- Trường hợp 2: Lấy tín hiệu dòng điện trên 1 pha và tín hiệu điện áp của rơle trên 2 pha còn lại (đối với rơle SK, Mikro, REGO-Ducati). Đặc biệt đối với rơle REGO có thể đấu nối một trong 3 sơ đồ sau: FF-1 (máy biến dòng 1 pha, điện áp đường dây 2 pha còn lại); FF2 (máy biến dòng một pha, máy biến dòng lắp đặt cho điện áp đường dây pha); FF-n (máy biến dòng và điện áp pha cùng pha). Sơ đồ kết nối phải được lắp đặt bên trong rơle, thường sử dụng sơ đồ FF-1.

Chú ý đến vị trí lắp đặt máy biến dòng: Máy biến dòng đưa tín hiệu vào rơle điều khiển tụ điện, tín hiệu này phải bao gồm dòng điện tải và dòng điện qua tụ điện. Lắp đặt máy biến dòng với cực tính chính xác: dòng điện sơ cấp đi vào K và ra khỏi L, đồng thời tín hiệu dòng thứ cấp từ cực K và L của máy biến dòng được kết nối với cực K và L của rơle (mặc dù hầu hết rơle có thể tự động chọn cực). Tại các đường cáp thông tin phải lắp đặt các tủ điện hạ thế có nhiều ngăn cấp nguồn.
Xem thêm: 5 cách kiểm tra tụ điện của bạn có đạt tiêu chuẩn kỹ thuật hay không và khắc phục sự cố
Trên thị trường hiện nay có rất nhiều hãng sản xuất tụ điện hạ thế. KTH ELECTRIC tự hào là nhà nhập khẩu và phân phối tụ điện chính hãng 100% từ các thương hiệu nổi tiếng trong và ngoài nước như: Nuintek, Samwha, Mikro, BTB Electric… Để được tư vấn nhanh nhất vui lòng liên hệ 0939 66 44 22.
Ngoài ra, nếu bạn muốn biết thêm những kiến thức khác liên quan đến tụ điện hãy theo dõi chúng tôi: https://etinco.vn/tin-tuc/kien-thuc/

Nội dung được phát triển bởi đội ngũ truongchuvananhue.edu.vn với mục đích chia sẻ và tăng trải nghiệm khách hàng. Mọi ý kiến đóng góp xin vui lòng liên hệ tổng đài chăm sóc: 1900 0000 hoặc email: hotro@truongchuvananhue.edu.vn