Nội dung bài viết
Bộ khởi động từ kép hay còn gọi là bộ khởi động từ đảo chiều, dùng để thay đổi hướng của động cơ. So với phần mở đầu bằng một từ, phần mở đầu của từ kép giống như sự kết hợp của 2 từ đơn giống hệt nhau. Cấu tạo, nguyên lý hoạt động của 2 dòng này có giống nhau hay không và cách thiết kế sơ đồ mạch của 2 dòng này như thế nào mời bạn tham khảo bài viết dưới đây của KTH ELECTRIC.
Sự khác biệt giữa khởi động đơn và khởi động kép
Khái niệm khởi động từ đơn và khởi động từ kép
Bộ khởi động từ là thiết bị dùng để khởi động hoặc dừng động cơ một cách an toàn và ngăn ngừa quá tải động cơ. Khi bật dòng điện qua bộ khởi động từ, dòng điện sẽ chạy qua các tiếp điểm đến động cơ. Khi xảy ra sự cố, các tiếp điểm bên trong sẽ tách ra làm gián đoạn dòng điện.

Bộ khởi động từ kép là bộ khởi động từ có hai công tắc tơ dùng để thay đổi chiều quay của động cơ. Nó được gọi là bộ khởi động từ có thể đảo ngược. Nếu muốn lắp thêm nhiều mạch hơn cho loại khởi động từ này thì phải lắp thêm cầu chì.

Nguyên lý làm việc: khởi động từ đơn, khởi động từ kép
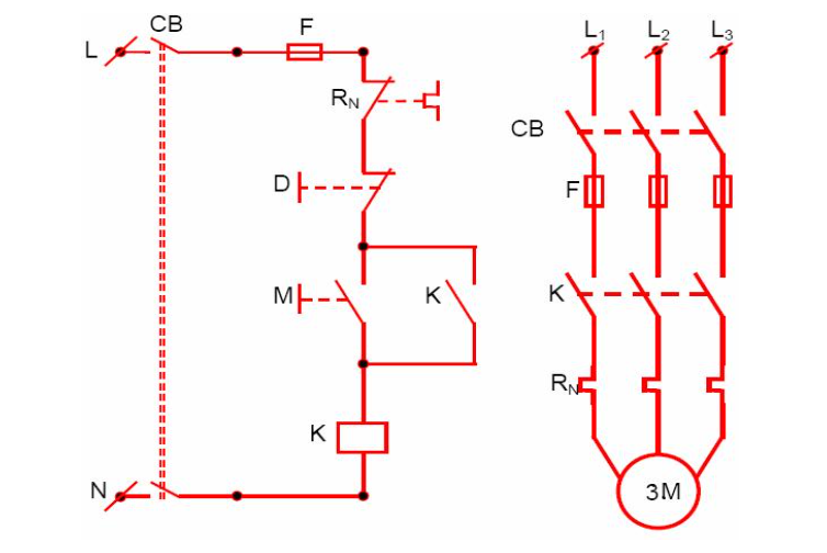
- Nguyên lý làm việc của bộ khởi động từ đơn
Khi nút khởi động M cấp điện cho cuộn dây, cuộn dây contactor được cấp điện, hút lõi thép chuyển động và mạch từ đóng lại. Khi nhấn nút dừng D, bộ khởi động từ đơn bị ngắt và dưới tác dụng của lò xo nén, lõi sắt chuyển động sẽ trở về vị trí ban đầu; tiếp điểm trở về trạng thái mở bình thường khiến động cơ ngừng chạy. Khi xảy ra quá tải, rơle nhiệt sẽ mở mạch cuộn dây, từ đó ngắt kết nối bộ khởi động từ và dừng động cơ.

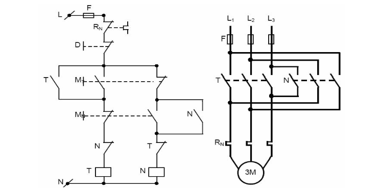
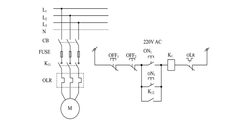
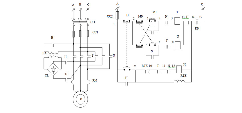
- Nguyên lý làm việc của bộ khởi động từ kép
Khi nhấn nút MT, cuộn dây T được cấp điện, hút lõi thép chuyển động và mạch từ đóng lại; tiếp điểm chính T đóng để khởi động động cơ quay về phía trước; tiếp điểm phụ NO được đóng để duy trì mạch điều khiển.
Đảo chiều quay của động cơ và nhấn nút MN. Cuộn T mất điện, cuộn N mang điện, hút lõi thép chuyển động và đóng mạch từ; đóng tiếp điểm chính N. Lúc này, trên mạch động cơ chuyển mạch ba pha hai dây, động cơ đảo chiều, tiếp điểm phụ NO N đóng và mạch điều khiển được duy trì.

Khi nhấn nút dừng D, một trong hai công tắc tơ ngừng hoạt động và động cơ bị ngắt kết nối. Khi động cơ gặp sự cố quá tải, rơle nhiệt sẽ mở cuộn dây và ngắt kết nối bộ khởi động từ.
14 sơ đồ mạch khởi động nam châm đơn và đôi chi tiết
Các ký hiệu thường dùng trong mạch khởi động từ
- CB: Viết tắt của Circuit Breaker – máy cắt, có nhiệm vụ đóng/mở mạch
- CC1, CC2: ký hiệu cầu chì, bảo vệ ngắn mạch mạch điện và mạch điều khiển
- D, MT, MN: biểu tượng nút dừng và mở tiến và lùi của contactor
- T, N: ký hiệu contactor thuận và ngược
- RTZ: ký hiệu rơle thời gian, chịu trách nhiệm điều khiển quá trình khởi động
- K1: Công tắc tơ nối hình sao
- K2: Công tắc tơ có dây Delta
- RN: Ký hiệu rơle nhiệt, giúp bảo vệ động cơ khỏi quá tải
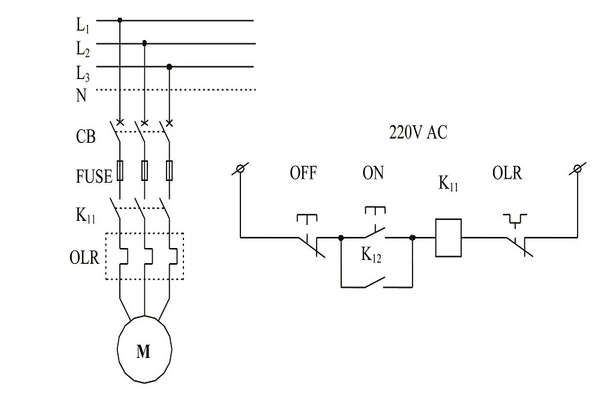
Mạch khởi động ba pha sử dụng contactor đơn
Mặc dù mạch khởi động từ tương đối phức tạp và chi phí lắp đặt cao nhưng thao tác điều khiển đơn giản, độ an toàn cao và có thể điều khiển từ xa.

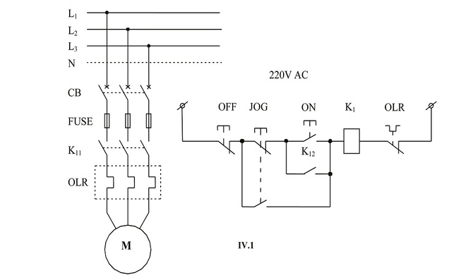
Mạch khởi động ba pha có thử nghiệm dòng điện
Sơ đồ mạch sơ bộ ba pha rất giống với mạch thứ nhất nhưng sử dụng thêm bộ nút khóa liên động JOG (2 tiếp điểm NO và NC nối với nhau) dùng để tạo áp suất liên tục khởi động động cơ.

Mạch động cơ 2 chữ số

Mạch khởi động từ đơn được điều khiển bằng công tắc 2 vị trí đơn giản, sử dụng rất thuận tiện nhưng lại gây nguy hiểm cho người sử dụng và ảnh hưởng đến cơ cấu vận hành của hệ thống khi mất điện.
Tìm hiểu thêm: Hướng dẫn chi tiết bắt đầu trận đấu từ Giai đoạn 3 và Giai đoạn 1
Mạch động cơ lồng sóc qua lò phản ứng
Mạch này cung cấp năng lượng cho mạch điện và mạch điều khiển. Nguyên lý làm việc của nó là mắc nối tiếp với mạch stato và cuộn kháng ba pha khi khởi động, sau đó tháo ra để cấp điện trực tiếp.

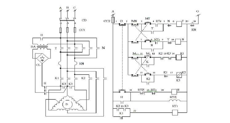
Mạch khởi động sao-tam giác

Mạch này có tác dụng giảm thiểu dòng khởi động so với mạch thông thường. Mạch này có cơ chế khởi động hai chiều thuận nghịch. Ở chiều thuận, động cơ hoạt động với cuộn dây stato hình sao. Ở chiều ngược lại, động cơ sử dụng cuộn dây stato hình tam giác.
Mạch động cơ ba pha tiến và lùi

Mạch này sử dụng công tắc tơ kép để điều khiển hai chiều đảo chiều của động cơ.
phanh động học
Mạch kết hợp với bộ khởi động từ đơn và rơle thời gian để điều khiển động cơ và hãm động học.

Mạch tự động giới hạn hành trình

Trong mạch này, động cơ quay và tải di chuyển đến vị trí mà công tắc giới hạn kích hoạt, do đó mở công tắc tơ. Lúc này, mạch hở và động cơ không thể điều khiển để quay về phía trước.
mạch phanh ngược

Mạch kết hợp với bộ khởi động từ đơn và rơle thời gian để điều khiển động cơ và phanh lùi.
Tìm hiểu thêm: Các sự cố thường gặp của contactor và cách kiểm tra chúng
Mạch động cơ 2 tầng “sao-tam giác” kép

Mạch này sử dụng nhiều động cơ nối với hai cuộn dây nối sao và tam giác để điều khiển động cơ 2 chiều và động năng hãm.
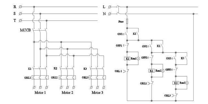
Mạch hở động cơ là bình thường
Trong một số nhà máy sản xuất dây chuyền lắp ráp, việc vận hành máy móc có trật tự là rất quan trọng. Mạch này giúp giảm thiểu sai sót vì động cơ 2 chỉ chạy khi động cơ 1 đang chạy, còn động cơ 3 chạy khi cả động cơ 1 và 2 đều chạy. Khi động cơ 1 tắt thì 2 động cơ còn lại dừng lại.

Mạch điều khiển cho 2 động cơ chạy luân phiên
Thông thường, các nhà máy trong dây chuyền sản xuất sẽ luân phiên sử dụng hai động cơ để kéo dài tuổi thọ động cơ hoặc sẽ sử dụng đồng thời cả hai động cơ khi cần hiệu suất tối đa.

Mạch tự động cấp nguồn cho động cơ dự phòng

Đây là mạch khởi động từ đơn dự phòng, trong đó động cơ dự phòng sẽ thay thế động cơ chính trong trường hợp xảy ra hỏa hoạn hoặc tai nạn.
Mạch động cơ tự động chuyển nguồn

Đây là sự lựa chọn tốt nhất cho các nhà máy sản xuất dây chuyền. Khi xảy ra sự cố về điện, mạch sẽ tự động chuyển nguồn và tiếp tục hoạt động cho động cơ.
Trên đây là những thông tin về sự khác biệt giữa khởi động từ đơn và khởi động từ kép, kèm theo 14 sơ đồ mạch khởi động từ và ứng dụng trong sản xuất kinh doanh. Để tìm hiểu thêm về contactor và khởi động từ, vui lòng tham khảo: https://etinco.vn/tin-tuc/kien-thuc/kien-thuc-contactor-ro-le/

Nội dung được phát triển bởi đội ngũ truongchuvananhue.edu.vn với mục đích chia sẻ và tăng trải nghiệm khách hàng. Mọi ý kiến đóng góp xin vui lòng liên hệ tổng đài chăm sóc: 1900 0000 hoặc email: hotro@truongchuvananhue.edu.vn