Nội dung bài viết
Biến tần ba pha là thiết bị quan trọng trong môi trường công nghiệp. Chúng có chức năng điều khiển hoạt động của động cơ tải nhờ khả năng chuyển đổi dòng điện đầu vào từ DC sang AC. Chúng ta hãy xem cấu trúc, ứng dụng và phân loại của bộ biến tần ba pha.
Khái niệm biến tần ba pha
Biến tần ba pha là thiết bị chuyển đổi nguồn DC thành đầu ra AC ba pha (380V, 440V) thông qua cấu trúc chuyển mạch bán dẫn công suất. Trong cấu trúc này, tín hiệu cổng được đưa vào công tắc nguồn ở góc 60 độ, tạo ra tín hiệu xoay chiều ba pha cần thiết.

Bộ biến tần ba pha thường được sử dụng kết hợp với các mô-đun hoặc lưới quang điện (PV) và được sử dụng rộng rãi trong các hệ thống năng lượng tái tạo như lắp đặt pin mặt trời và môi trường công nghiệp nơi nguồn điện ba pha rất quan trọng cho hoạt động của máy móc.
Hơn nữa, so với bộ biến tần một pha, bộ biến tần ba pha là giải pháp đa dạng và phổ biến hơn, có khả năng điều khiển nhiều loại động cơ, như: động cơ không đồng bộ ba pha, động cơ đồng bộ, động cơ biến tần, động cơ servo không đồng bộ (ASM), động cơ trục chính, động cơ truyền động trực tiếp.
Cấu trúc biến tần ba pha
Bộ biến tần ba pha gồm 4 phần chính: mạch chỉnh lưu, tụ điện trung bình, mạch biến tần và mạch điều khiển.
- Mạch chỉnh lưu: Là thành phần quan trọng có tác dụng chuyển đổi dòng điện xoay chiều thành dòng điện một chiều thông qua các phần tử bán dẫn (điốt).
- tụ điện phẳng: Chịu trách nhiệm làm mịn dòng điện một chiều và giúp giảm dao động điện áp một chiều. Bước này thường được thực hiện trước khi đưa dòng điện vào mạch chỉnh lưu.
- Mạch biến tần: Mạch biến tần chuyển đổi điện áp DC thành điện áp xoay chiều thông qua điều chế độ rộng xung (PWM). -PWM sử dụng khả năng chuyển mạch bật/tắt linh hoạt của các phần tử bán dẫn (công nghệ cắt xung) giúp tạo ra dòng điện xoay chiều có tần số và biên độ được kiểm soát.
- mạch điều khiển: Chịu trách nhiệm điều khiển, điều khiển hoạt động của biến tần ba pha, giúp duy trì sự ổn định của tốc độ động cơ, đồng thời cung cấp khả năng cài đặt các quy trình vận hành linh hoạt cho biến tần.
Nguyên lý làm việc biến tần ba pha
Nguyên lý làm việc của biến tần ba pha trải qua ba giai đoạn:
- chuyển đổi đầu vào: Thông qua bộ chỉnh lưu cầu diode và tụ điện, nguồn điện xoay chiều ba pha được chỉnh lưu và lọc thành một nguồn điện. Quá trình này giúp duy trì hệ số cosin của biến tần ở mức 0,96 bất kể tải.
- điều chế độ rộng xung: Điện áp DC sau đó được chuyển đổi thành điện áp xoay chiều ba pha đối xứng bằng cách sử dụng điều chế độ rộng xung (PWM) thông qua hệ thống IGBT.
- đầu ra bộ lọc: Xung điện áp điều chế sẽ được lọc qua các mạch thụ động (thường là mạch cảm ứng và mạch điện dung). Giai đoạn này tinh chỉnh sóng hình sin đầu ra thành dòng điện xoay chiều ba pha lý tưởng của thiết bị tải.
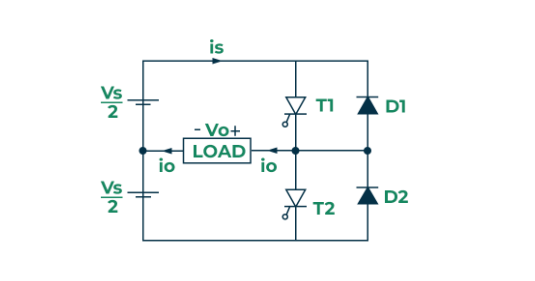
Chế độ dẫn điện của biến tần ba pha
Bộ biến tần ba pha chủ yếu có hai chế độ dẫn, đó là chế độ dẫn 120 độ và chế độ dẫn 180 độ. Các chế độ này đề cập đến thời gian và thời lượng chuyển đổi của các công tắc biến tần và cho phép các mức độ điều khiển và chất lượng dạng sóng đầu ra khác nhau trong quá trình vận hành biến tần.
Chế độ dẫn 180 độ
Ở chế độ dẫn này, mỗi công tắc dẫn điện trong khoảng thời gian 180 độ và kích hoạt ở khoảng cách 60 độ. Các đầu ra được đánh dấu D, E và F có thể được kết nối với tải theo sơ đồ sao hoặc tam giác
Trong phạm vi góc pha từ 0 đến 60 độ, các công tắc S1, S5 và S6 ở trạng thái bật. Đầu D và F được nối với cực dương (+) của nguồn điện. Đầu E sẽ được nối với cực âm (-) của nguồn điện. Hơn nữa, điện trở R/2 xuất hiện giữa điểm trung tính và cực dương, trong khi R xuất hiện giữa điểm trung tính và cực âm.
Cấu hình này đảm bảo biến tần ba pha tạo ra dòng điện ba pha cân bằng và phù hợp với hệ thống truyền động động cơ và hệ thống điện công nghiệp.

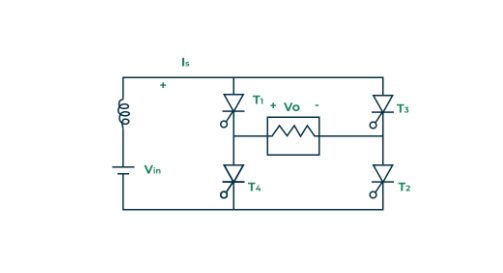
Chế độ dẫn 120 độ
Ở chế độ này, mỗi công tắc dẫn điện 120 độ, phù hợp với tải kết nối tam giác. Chế độ dẫn 120 độ tạo ra dạng sóng 6 bước trên một trong các pha. Trong mỗi nhánh pha, chỉ có 2 công tắc hoạt động tại một thời điểm bất kỳ và mỗi công tắc bật trong 1/3 chu kỳ cơ bản.
Trong sơ đồ kết nối tải, cực D được nối với cực dương của nguồn điện, cực E được nối với cực âm của nguồn điện và cực F ở trạng thái nổi (không được nối với cực dương và cực âm của nguồn điện).

Đánh giá từ dạng sóng trên:
- Từ 0-60: s1 và s6 dẫn điện trong khi các công tắc còn lại mở.
- Từ 60 – 120: s1 và s2 dẫn điện, các công tắc còn lại đều mở.
- Từ 120 – 180: s3 và s2 dẫn điện trong khi các công tắc còn lại đều mở.
- Từ 180 – 240: s3 và s4 dẫn điện trong khi các công tắc còn lại đều mở.
- Từ 240 – 300: s5 và s4 dẫn điện trong khi các công tắc còn lại đều mở.
- Từ 300 – 360: s5 và s6 dẫn điện trong khi các công tắc còn lại đều mở.
Các loại biến tần ba pha
Biến tần nguồn điện áp VSI

Biến tần nguồn điện áp (VSI), còn được gọi là biến tần nguồn điện áp, được sử dụng đặc biệt để chuyển đổi điện áp nguồn điện và phù hợp với các hệ thống có trở kháng nguồn DC không đáng kể hoặc thấp.
VSI thường được sử dụng trong các hệ thống truyền động tần số thay đổi (VFD) để điều khiển tốc độ của động cơ ba pha và cũng để vận hành giảm dần. Trong VSI, nguồn DC thường được cung cấp bởi mảng năng lượng mặt trời hoặc nguồn điện liên tục.
Biến tần nguồn DC-AC

Bộ biến tần nguồn hiện tại chuyên chuyển đổi dòng điện DC thành dòng điện xoay chiều ở tần số mong muốn, với dòng điện nguồn luôn không đổi. Vì vậy, loại biến tần này còn được gọi là biến tần cấp dòng điện.
Bộ biến tần nguồn hiện tại chỉ được sử dụng để tăng dòng điện đầu vào của động cơ, do đó chúng được sử dụng trong bộ khởi động động cơ đồng bộ, bộ hiệu chỉnh hệ số công suất, bộ điều khiển tốc độ động cơ AC, bộ gia nhiệt cảm ứng, máy phát plasma, bộ cấp nguồn liên tục (UPS), bộ bù VAR bị trễ, v.v.
Xem thêm: Biến tần DC là gì? Cấu tạo, chức năng và so sánh với biến tần AC
Biến tần tầng đa cấp

Được thiết kế cho các ứng dụng nguồn, bộ biến tần ba pha này sử dụng nhiều mức điện áp để tạo ra dạng sóng bước nhằm cung cấp khả năng điều khiển chính xác.
Bộ biến tần nhiều tầng đóng vai trò quan trọng trong hệ thống truyền tải điện áp cao và năng lượng tái tạo, đòi hỏi dòng điện đầu ra AC ổn định.
Biến tần đa cấp lai

Bộ biến tần lai đa cấp được thiết kế cho các ứng dụng công nghiệp có yêu cầu điện áp trung bình và công suất cao, kết hợp các thành phần của bộ biến tần nguồn dòng và nguồn điện áp.
Biến tần đóng vai trò quan trọng trong việc tăng cường cơ sở hạ tầng điện, cho phép sạc xe điện hiệu quả và đáp ứng nhu cầu hoạt động công nghiệp công suất cao.
biến tần điều chế độ rộng xung

Điều chế xung (PWM) là biến tần chuyên dụng sử dụng công nghệ điều chế độ rộng xung để điều khiển chính xác tần số và điện áp đầu ra. Biến tần hoạt động bằng cách chuyển mạch nhanh các bóng bán dẫn lưỡng cực cổng cách điện (IGBT), tạo ra điện áp hình sin gần như lý tưởng với độ méo sóng hài tối thiểu. Ưu điểm chính là khả năng tạo ra dòng điện xoay chiều chất lượng cao tương tự sóng hình sin tiêu chuẩn, phù hợp cho các ứng dụng cần nguồn điện sạch và ổn định, như hệ thống năng lượng tái tạo (mặt trời, gió), truyền động động cơ, v.v.
Xem thêm: 12 Thương Hiệu Biến Tần Chất Lượng Tốt Nhất Việt Nam
Ứng dụng biến tần ba pha

Biến tần ba pha được sử dụng rộng rãi trong các hệ thống công nghiệp, nông nghiệp, xây dựng và thương mại.
- Trong lĩnh vực biến tần:
- Trong truyền tải điện cao thế HVDC
- Cung cấp năng lượng cho các máy móc hạng nặng như máy nghiền, băng tải.
- Trong lĩnh vực nông nghiệp, hỗ trợ bơm tưới tiêu và các hoạt động nông nghiệp khác.
- Được sử dụng trong xe điện để chuyển đổi nguồn DC từ pin thành nguồn AC ba pha để điều khiển động cơ điện.
- Điều khiển và cấp nguồn cho động cơ điện, máy bơm, quạt, băng tải và các thiết bị sản xuất công nghiệp.
Xem thêm: Biến tần 380V ba pha là gì? Sự khác biệt so với biến tần 220V ba pha
Ưu điểm và nhược điểm của bộ biến tần ba pha
Ưu điểm của biến tần ba pha
- Truyền tải nhiều năng lượng hơn trên cùng một khoảng cách so với điện một pha.
- Hiệu suất cao do phân bổ tải cân bằng trên cả ba pha, từ đó giảm tổn thất năng lượng và chi phí vận hành điện.
- Cung cấp điện áp và dòng điện đầu ra ổn định và cân bằng hơn, cải thiện chất lượng điện năng.
- Giảm thiểu sự biến dạng sóng hài trong hệ thống điện.
- Tương thích hơn với lưới điện và ít bị ảnh hưởng bởi quá áp.
- Một số mẫu nhỏ, nhẹ và dễ lắp đặt hơn.
Nhược điểm của biến tần ba pha
- Do kết cấu thiết kế phức tạp, công suất lớn nên chi phí đầu tư đắt hơn loại 1 pha, quá trình lắp đặt cũng đòi hỏi người vận hành có trình độ và kinh nghiệm.
- Đôi khi, bộ biến tần ba pha có thể tạo ra nhiễu điện từ ảnh hưởng đến thiết bị và hệ thống điện.
- Bộ biến tần ba pha phù hợp cho các ứng dụng công suất cao và do đó gây lãng phí năng lượng nếu lắp đặt trong các cơ sở sản xuất vừa và nhỏ.
- Do thiết kế phức tạp nên chi phí bảo trì cao.
Mua biến tần 3 pha chính hãng tại KTH ELECTRIC giá ưu đãi lớn
KTH ELECTRIC tự hào là nhà phân phối chính thức biến tần LS tại Việt Nam. Chúng tôi cung cấp các mã biến tần ba pha LS khác nhau như sau:
Biến tần LS dòng M100 là sự lựa chọn tốt nhất cho không gian chật hẹp. Được cải tiến so với dòng iC5 và iE5 trước đó, M100 cung cấp nhiều tính năng giúp giảm chi phí và thời gian lắp đặt. LS series M100 được sử dụng trong IAQ (Chất lượng không khí trong nhà), băng tải nhỏ, quạt, máy bơm, máy nén và các ngành công nghiệp khác cũng như máy điều hòa không khí, tủ lạnh, máy nghiền, máy kéo sợi và các thiết bị khác. |
![]() |
Bộ biến tần LS Series G100 được tối ưu hóa cho nhiều ngành công nghiệp, với hiệu suất mô-men xoắn được cải thiện và khả năng điều khiển không cần cảm biến mạnh mẽ. LS series G100 phù hợp cho máy cắt, máy uốn, máy bơm, máy nén, cần cẩu và các thiết bị khác trong ngành gia công kim loại, xử lý nước và bảo vệ môi trường. |
![]() |
Biến tần LS Series S100 cung cấp khả năng điều khiển không cảm biến tiên tiến, thiết kế nhỏ gọn và hiệu suất cao cho các ứng dụng như cần cẩu, băng tải và máy nén. |
![]() |
Biến tần LS dòng H100 được thiết kế để tiết kiệm năng lượng và được sử dụng đặc biệt trong các hệ thống quạt và máy bơm trong ngành HVAC và xử lý nước. |
![]() |
Bộ biến tần LS Starvert IS7 thay thế dòng iG5A với hiệu suất mạnh mẽ và cấu trúc thông minh, được sử dụng cho các tải nặng như máy nén, băng tải và máy trộn. |
![]() |
Ngoài việc cung cấp các sản phẩm chính hãng được nhập khẩu trực tiếp từ nhà sản xuất, chúng tôi còn cam kết cung cấp giá cả cạnh tranh và chiết khấu tốt nhất thị trường khi khách hàng lựa chọn biến tần LS 3 pha của KTH ELECTRIC. Hãy gọi 0904 99 88 77 ngay hôm nay để được báo giá và tư vấn.






Nội dung được phát triển bởi đội ngũ truongchuvananhue.edu.vn với mục đích chia sẻ và tăng trải nghiệm khách hàng. Mọi ý kiến đóng góp xin vui lòng liên hệ tổng đài chăm sóc: 1900 0000 hoặc email: hotro@truongchuvananhue.edu.vn